海灣氣體滅火控制器GST-QKP04/2接線與示意圖
海灣GST-QKP04/2可帶2個區的氣體滅火設備,實現對2個防護區的保護。本文將詳細介紹海灣兩區型氣體滅火控制器GST-QKP04/2接線與應用示意圖。
海灣氣體滅火控制器外接端子如圖5- 9所示
其中:
L、G、N:交流220V接線端子。
A1、B1/A2、B2:連接火災報警控制器(聯動型)的通訊總線端子。
Z1、Z2:各區的總線輸出端子,連接緊急啟/停按鈕、聲光警報器、氣體噴灑指示燈、輸出模塊、手自動轉換開關等總線設備。
+24V、GND:各區的輔助電源輸出端子,為現場的系統設備如聲光警報器、氣體噴灑指示燈和輸出模塊供電。
DC+、DC-:各區滅火氣體啟動電磁閥的驅動信號輸出端子,平時該端子間輸出電壓小于DC0.7V,啟動時輸出DC24V電壓且最大2A的信號。終端匹配電阻為4.7kΩ/0.25W。
YK1、YK2:各區氣體釋放反饋信號輸入端,應輸入動合型干觸點信號。其終端匹配電阻為4.7kΩ/0.25W。
海灣GST-QKP04/2氣體滅火控制器應用方法
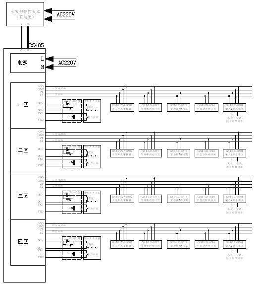
氣體滅火控制器可通過本地網卡與火災報警控制器(聯動型)聯網,接線示意圖如圖5-10所示。
各區驅動鋼瓶電磁閥有源輸出的布線方式如圖5-11所示。附加元件應置于線路的末端、接近于鋼瓶電磁閥處。
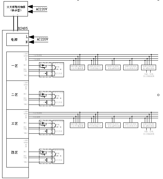
氣體滅火控制器典型接線圖如圖5-12所示。
具有主備兩個鋼瓶組切換使用的氣體滅火控制器系統接線圖如圖5-13所示。通過設置1區和2區關聯、3區和4區關聯可以實現兩鋼瓶組的關聯使用――當啟動主鋼瓶組后沒有檢測到壓力開關的回答信號時氣體滅火控制器會自動啟動備用鋼瓶組。
智淼君安(江蘇)消防工程技術有限公司http://m.ixsk.cn/海灣消防公司主營:海灣消防報警系統銷售,消防設備安裝,海灣氣體滅火、海灣電氣火災、消防水噴淋系統施工安裝,售后維修,海灣消防網站:http://m.ixsk.cn/;海灣消防服務熱線:4006-598-119
本頁關鍵詞:海灣氣體滅火控制器GST-QKP04/2接線與示意圖
技術資料更多 >>






蘇公網安備32058102002147號