GST-LD-8301輸入輸出模塊(船用)





一、海灣GST-LD-8301輸入輸出模塊(船用)概述
GST-LD-8301輸入輸出模塊(船用)型用于現場各種一次動作并有動作信號輸出的被動型設備。本模塊采用電子編碼器進行編碼,模塊內有一對常開、常閉觸點。模塊具有直流24V電壓輸出,用于與繼電器觸點接成有源輸出,滿足現場的不同需求。另外模塊還設有開關信號輸入端,用來和現場設備的開關觸點連接,以便對現場設備是否動作進行確認。本模塊具有輸入、輸出具有檢線功能。應當注意的是,不應將模塊觸點直接接入交流控制回路,以防強交流干擾信號損壞模塊或控制設備。
二、海灣GST-LD-8301輸入輸出模塊(船用)主要技術指標
型號 GST-LD-8301
工作電壓 總線電壓:總線24V
電源電壓:DC24V
監視電流 總線電流≤1mA
電源電流≤5mA
動作電流 總線電流≤3mA
電源電流≤20mA
線制 與控制器采用無極性信號二總線連接,與DC24V電源采用無極性電源二總線連接
無源輸出觸點容量 DC24V/2A,正常時觸點阻值為100kΩ,啟動時閉合,適用于12V~48V直流或交流
輸出控制方式 脈沖、電平(繼電器常開觸點輸出或有源輸出,脈沖啟動時繼電器吸合時間為10s)
出廠設置 常開檢線輸入、有源輸出方式
使用環境 溫度:-10℃~+55℃ 相對濕度≤95%,不結露
外殼防護等級 IP30
外形尺寸 86mm×86mm×43mm(帶底殼)
三、海灣GST-LD-8301輸入輸出模塊(船用)外形示意圖如圖1

GST-LD-8301模塊的外形尺寸及結構與GST-LD-8319輸入模塊相同,安裝方法也相同,其對外端子示意圖如圖2

其中:
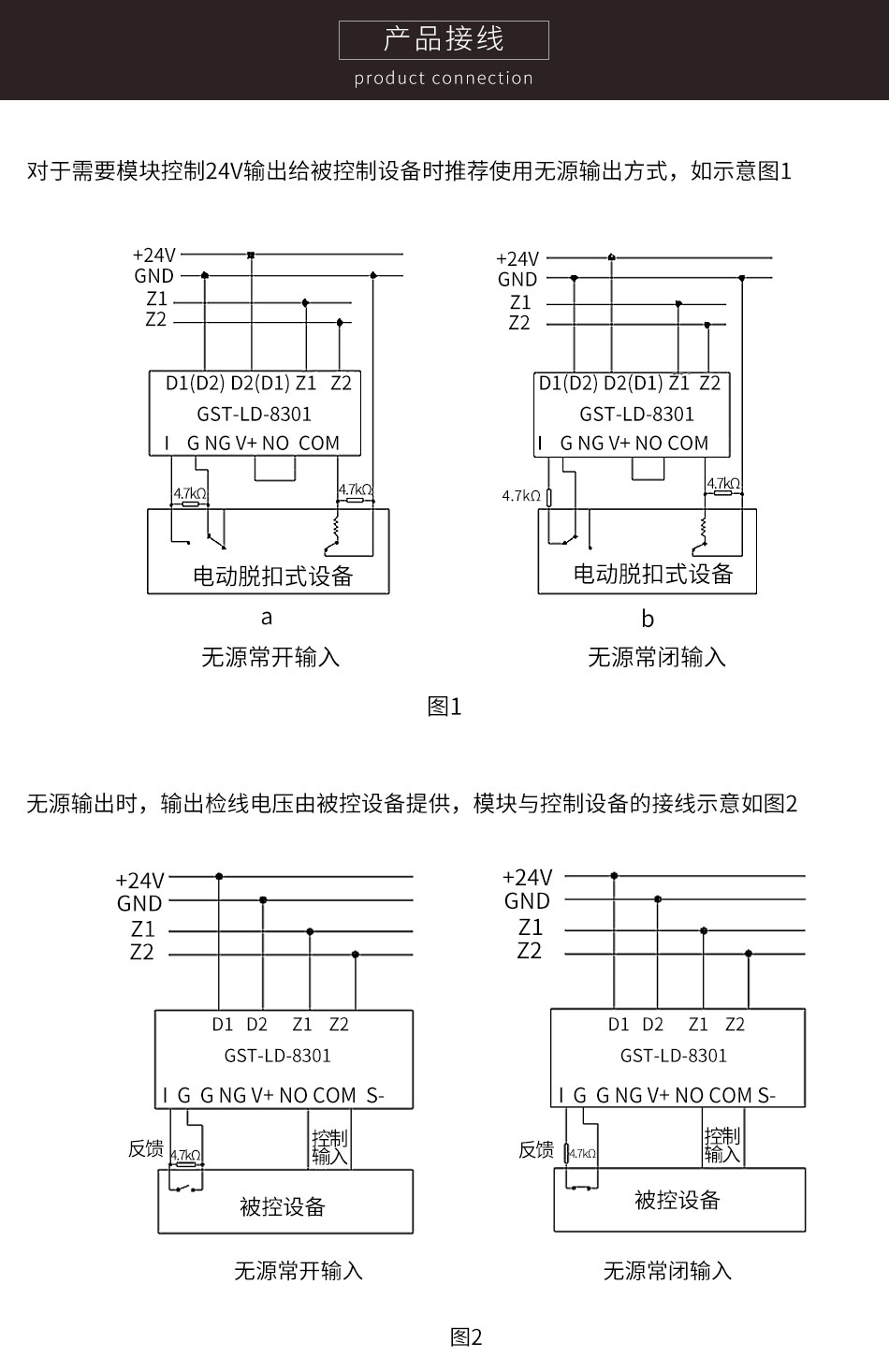
Z1、Z2:接火災報警控制器信號二總線,無極性
D1、D2:DC24V電源輸入端子,無極性
I、G:與被控制設備無源常開觸點連接,用于實現設備動作回答確認(也可通過電子編碼器設為常閉輸入或自回答)
COM、NO:無源常開輸出端子(注意:此端子間有微弱檢線電流!)
NG、 S-、V+、G::留用
布線要求:信號總線Z1、Z2采用阻燃RVS型雙絞線,截面積≥1.0mm2;電源線D1、D2采用阻燃BV線,截面積≥1.5mm2;G、NG、V+、NO、COM、S-、I采用阻燃RV線,截面積≥1.0mm2。
應用方法:模塊輸入端如果設置為“常開檢線”狀態輸入,模塊輸入線末端(遠離模塊端)必須并聯一個4.7kΩ的終端電阻;模塊輸入端如果設置為“常閉檢線”狀態輸入模塊輸入線末端(遠離模塊端)必須串聯一個4.7kΩ的終端電阻。
海灣固定探火和失火報警系統船用型式認可證書下載
智淼君安(江蘇)消防工程技術有限公司http://m.ixsk.cn/Z1、Z2:接火災報警控制器信號二總線,無極性
D1、D2:DC24V電源輸入端子,無極性
I、G:與被控制設備無源常開觸點連接,用于實現設備動作回答確認(也可通過電子編碼器設為常閉輸入或自回答)
COM、NO:無源常開輸出端子(注意:此端子間有微弱檢線電流!)
NG、 S-、V+、G::留用
布線要求:信號總線Z1、Z2采用阻燃RVS型雙絞線,截面積≥1.0mm2;電源線D1、D2采用阻燃BV線,截面積≥1.5mm2;G、NG、V+、NO、COM、S-、I采用阻燃RV線,截面積≥1.0mm2。
應用方法:模塊輸入端如果設置為“常開檢線”狀態輸入,模塊輸入線末端(遠離模塊端)必須并聯一個4.7kΩ的終端電阻;模塊輸入端如果設置為“常閉檢線”狀態輸入模塊輸入線末端(遠離模塊端)必須串聯一個4.7kΩ的終端電阻。
海灣固定探火和失火報警系統船用型式認可證書下載
海灣消防公司主營:海灣消防報警系統銷售,消防設備安裝,海灣氣體滅火、海灣電氣火災、消防水噴淋系統施工安裝,售后維修,海灣消防網站:http://m.ixsk.cn/;海灣消防服務熱線:4006-598-119
本頁關鍵詞:GST-LD-8301輸入輸出模塊(船用)
產品中心

蘇公網安備32058102002147號